به ما ایمیل بزنید
محصولات
شیر اگزوز سریع XQ
  • شیر اگزوز سریع XQشیر اگزوز سریع XQ
  • شیر اگزوز سریع XQشیر اگزوز سریع XQ

شیر اگزوز سریع XQ

Model:XQ170600
OLK یکی از تولید کنندگان و تأمین کنندگان سوپاپ سریع XQ حرفه ای در چین است. محصولات ما دارای مجوز CE هستند و دارای کارخانه هستند ، به شیر عمده اگزوز سریع XQ از ما خوش آمدید.

دریچه اگزوز سریع OLK XQ دریچه ای است که به طور خودکار گاز تحت فشار را از پریز خارج می کند وقتی فشار ورودی به یک مقدار خاص کاهش می یابد. هنگامی که فشار هوا در ورودی وجود دارد ، هسته دریچه (حلقه مهر و موم یک طرفه یا دیافراگم) باز می شود ، درگاه اگزوز را می بندد و از پریز خارج می شود. هنگامی که ورودی خالی می شود ، فشار خروجی هسته شیر را برای مهر و موم ورودی فشار می دهد و گاز خروجی به سرعت از طریق درگاه اگزوز خسته می شود. XQ سریع سوپاپ اگزوز پنج گزینه اندازه اتصال را ارائه می دهد: M5 ، G1/8 ، G1/4 ، G3/8 و G1/2.

کاربرد و اقدامات احتیاطی برای شیر اگزوز سریع XQ:

XQ از شیر اگزوز سریع در شرایطی استفاده می شود که اجزای پنوماتیک و دستگاه ها نیاز به اتلاف سریع دارند. در صورت نصب بین سیلندر و دریچه جهت ، سیلندر مستقیماً از طریق شیر اگزوز سریع XQ به جای شیر جهت دار ، به طور قابل توجهی سرعت حرکت سیلندر را افزایش می دهد. این اثر به ویژه هنگامی که خط لوله بین سیلندر و دریچه طولانی باشد ، قابل توجه است. اگر درگاه اگزوز دریچه جهت بزرگ باشد و لوله اتصال بین سیلندر و شیر کوتاه باشد ، نصب یک شیر اگزوز سریع غیر ضروری است.

برای دستیابی به اگزوز سریع ، فشار در ورودی سریع دریچه اگزوز باید به سرعت خالی شود ، بنابراین عبور اگزوز در ورودی (بین دریچه جهت دار و دریچه اگزوز سریع) باید بدون مانع باشد.

اطمینان حاصل کنید که سیلندر هنگام استفاده از شیر اگزوز سریع XQ از ظرفیت کوسن کافی برخوردار است.



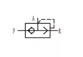
XQ نماد دریچه انتشار سریع

کد سفارش:
XQ17 0600
مدل: سری XQ سری 3/2 راه سریع اگزوز اندازه بندر:

0600: G1/8

0800: G1/4

1000: G3/8

1500: G1/2

2000: G3/4

2500: G1

پارامترهای عمومی دریچه سریع XQ

مشخصات

اندازه بندر

متولد (MM)

جریان (m³/min)

دوام (چرخه x10⁴)

دامنه فشار عملیاتی (MPA)

زمان پاسخ (ها)

XQ-M5

m5

4

200 پوند

0.12 ~ 1.0

0.03 ≤

XQ170600

G1/8

6

≥ 0.3

0.03 ≤

XQ170800

G1/4

6

0.9 پوند

0.03 ≤

XQ171000

G3/8

8

2.5 پوند

0.04 ≤

XQ171500

G1/2

15

4.5 پوند

0.05 ≤

XQ172000
G3/4


XQ172500 g1




سؤالات متداول:

عملکرد دریچه اگزوز سریع XQ چیست؟

کاهش مصرف هوا و بهبود بهره وری انرژی سیستم های پنوماتیک:

با توجه به عملکرد سیلندر هوا XQ سریع اگزوز ، سیلندر پنوماتیک فقط باید در حین حرکت از مقدار کمی از هوای فشرده شده استفاده کند ، بدون اینکه مقدار زیادی هوا را به محیط زیست تخلیه کند. این امر به کاهش مصرف هوا از سیستم و بهبود بهره وری انرژی سیستم پنوماتیک کمک می کند.


هنگام نصب دریچه اگزوز سریع XQ چه باید ذکر کرد؟

اطمینان حاصل کنید که جهت نصب شیر صحیح است ، که معمولاً با P (ورودی) ، A (پریز) و R (درگاه اگزوز) مشخص می شود








تگ های داغ: XQ سریع سوپاپ اگزوز ، چین ، تولید کننده ، تأمین کننده ، کارخانه
ارسال استعلام
اطلاعات تماس
  • نشانی

    جاده ژنگتای ، منطقه صنعتی Xinguang ، لیوشی ، یوفینگ ، ونژو ، ژجیانگ ، چین.

  • پست الکترونیک

    cici@olkptc.com

به سایت ما خوش آمدید! برای پرس و جو در مورد محصولات یا لیست قیمت، لطفا ایمیل خود را برای ما بگذارید و ما ظرف 24 ساعت با شما تماس خواهیم گرفت.
پست الکترونیک
cici@olkptc.com
تلفن
86-0577 57178620
سیار
+86-13736765213
نشانی
جاده ژنگتای ، منطقه صنعتی Xinguang ، لیوشی ، یوفینگ ، ونژو ، ژجیانگ ، چین.
X
ما از کوکی ها استفاده می کنیم تا تجربه مرور بهتری به شما ارائه دهیم، ترافیک سایت را تجزیه و تحلیل کنیم و محتوا را شخصی سازی کنیم. با استفاده از این سایت، شما با استفاده ما از کوکی ها موافقت می کنید. سیاست حفظ حریم خصوصی
رد کردن قبول کنید