به ما ایمیل بزنید
محصولات
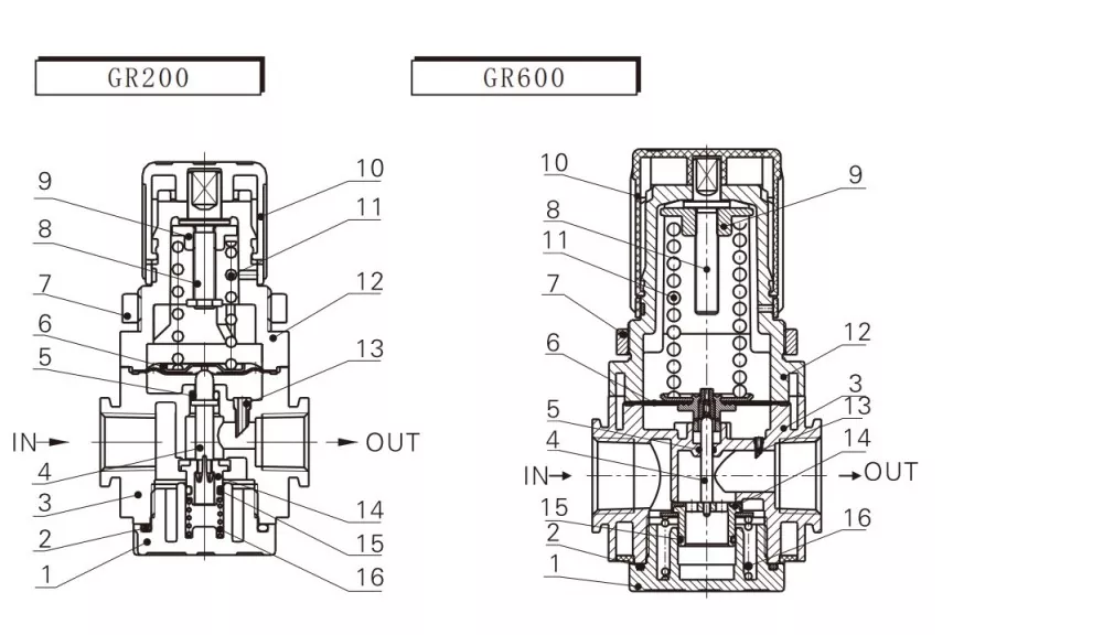
تنظیم کننده فشار ایرتاک نوع GR
  • تنظیم کننده فشار ایرتاک نوع GRتنظیم کننده فشار ایرتاک نوع GR

تنظیم کننده فشار ایرتاک نوع GR

می توانید مطمئن باشید که تنظیم کننده فشار Airtac نوع GR را از کارخانه ما خریداری کنید و ما بهترین خدمات پس از فروش و تحویل به موقع را به شما ارائه خواهیم داد.

تنظیم کننده فشار Airtac نوع GR کنترل فشار پایدار و دقیق را برای سیستم های پنوماتیک فراهم می کند. تنظیم کننده پنوماتیک OLK  GR با ساختار بادوام و تنظیم آسان، عملکرد قابل اعتماد را در تجهیزات اتوماسیون، ابزارهای هوا، کمپرسورها و کاربردهای صنعتی عمومی تضمین می کند. سازگار با فیلترها، روان کننده ها و واحدهای FRL.

تنظیم کننده فشار Airtac نوع GR ویژگی های محصول:

· گیج فشار مربعی داخلی باعث صرفه جویی در فضای نصب می شود (گیج گرد خارجی اختیاری).

· طراحی قفل از تنظیم فشار تصادفی ناشی از نیروی خارجی جلوگیری می کند.

· ساختار تنظیم فشار متعادل فشار پایدار، نوسانات کوچک و عملکرد خوب را تضمین می کند.

· قابل نصب بر روی یک پانل یا با یک براکت نصب اختیاری.

·علاوه بر مدل استاندارد، نوع کم فشار نیز موجود است (حداکثر فشار قابل تنظیم: 0.4 مگاپاسکال)


علامت تنظیم کننده فشار GR:

کد سفارش

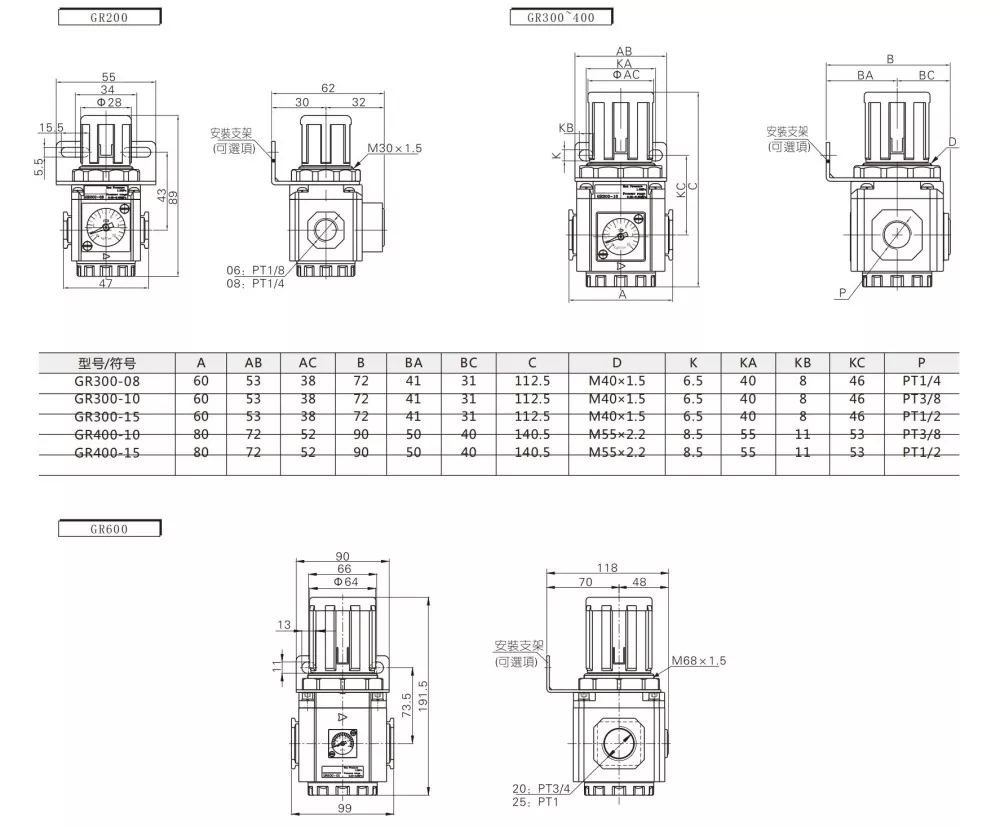
GR200

--

08

مدل:

 

اندازه پورت:

تنظیم کننده فشار سری GR200

 

06:PT:1/8

تنظیم کننده فشار سری GR300

 

08:PT1/4

تنظیم کننده فشار سری GR400

 

10:PT3/8

تنظیم کننده فشار سری GR600

 

15:PT1/2

 

 

20:PT3/4

 

 

25: PT1


مدل

GR200-06

GR200-08

GR300-08

GR400-10

GR300-15

GR400-10

GR400-15

GR600-20

GR600-25

محیط کار

هوا

اندازه پورت

PT1/8

PT1/4

PT1/4

PT3/8

PT1/2

PT3/8

PT1/2

PT3/4

PT1

محدوده فشار عملیاتی

0.05-0.9Mpa (20-130psi)

محدوده فشار کاری

1.5 مگاپاسکال (215psi)

TEM.

-20--70 درجه سانتیگراد

وزن

160 گرم

350 گرم

720 گرم

1700 گرم


نحوه تنظیم رگولاتور فشار Airtac نوع GR

یک مقیاس فشار روی درپوش تنظیم وجود دارد. وقتی هوا تامین شد، دستگیره را بالا بکشید و آن را در جهت عقربه های ساعت به سمت علامت "+" بچرخانید تا فشار افزایش یابد. پس از تنظیم، دکمه را فشار دهید تا قفل شود.


مرحله 1: دستگیره را بگیرید و به سمت بالا بکشید.

مرحله 2: برای افزایش فشار آن را در جهت عقربه های ساعت بچرخانید.

مرحله 3: دکمه را فشار دهید تا پس از تنظیم قفل شود.


توجه: لطفاً هنگام اتصال به فلشی که جهت جریان هوا را نشان می دهد توجه کنید. اتصال معکوس ورودی ممکن است باعث نشت هوا شود.




سوالات متداول:

GR به چه معناست؟

GR به معنای تنظیم کننده هوا سری GR است.


GFC به چه معناست؟

GFC=GFR+GL  (تنظیم کننده فیلتر + روان کننده)


GC یعنی چی؟

GC=GF+GR+GL (فیلتر + رگولاتور پنوماتیک + روان کننده)



تگ های داغ: تنظیم کننده فشار Airtac نوع GR، چین، سازنده، تامین کننده، کارخانه
ارسال استعلام
اطلاعات تماس
  • نشانی

    جاده ژنگتای ، منطقه صنعتی Xinguang ، لیوشی ، یوفینگ ، ونژو ، ژجیانگ ، چین.

  • پست الکترونیک

    cici@olkptc.com

به سایت ما خوش آمدید! برای پرس و جو در مورد محصولات یا لیست قیمت، لطفا ایمیل خود را برای ما بگذارید و ما ظرف 24 ساعت با شما تماس خواهیم گرفت.
پست الکترونیک
cici@olkptc.com
تلفن
86-0577 57178620
سیار
+86-13736765213
نشانی
جاده ژنگتای ، منطقه صنعتی Xinguang ، لیوشی ، یوفینگ ، ونژو ، ژجیانگ ، چین.
X
ما از کوکی ها استفاده می کنیم تا تجربه مرور بهتری به شما ارائه دهیم، ترافیک سایت را تجزیه و تحلیل کنیم و محتوا را شخصی سازی کنیم. با استفاده از این سایت، شما با استفاده ما از کوکی ها موافقت می کنید. سیاست حفظ حریم خصوصی
رد کردن قبول کنید