به ما ایمیل بزنید
محصولات
FA FLANGE MOINT
  • FA FLANGE MOINTFA FLANGE MOINT

FA FLANGE MOINT

Model:FA63
Olk Pneumatic با گرمی از شما استقبال می کند تا عمده فروشی Fa Flange Mount از کارخانه ما. محصولات ما دارای مجوز CE هستند و در حال حاضر مقدار زیادی موجودی کارخانه دارند. ما خدمات و قیمت های با تخفیف کارخانه را در اختیار شما قرار خواهیم داد.

Fa Flange Mount یک براکت نصب جلوی است که برای سری SC استفاده می شود سیلندرهای پنوماتیک استاندارد SC. بدن سیلندر را به گونه ای که حرکت بار و حرکت پیستون در همان محور یا موازی قرار دارد. ساختار لوازم جانبی نصب شده به طور موازی است.

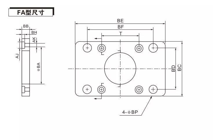
Fa Flange Mount یک مستطیل سیاه مسطح با سوراخ های نصب شده است که به سیلندر پنوماتیک سری SC اجازه می دهد تا با ایمن به ماشین و سطح از انتهای غیر میله ثابت ثابت شود. این با استانداردهای نصب سیلندر ISO 15552 یا ISO 6431 مطابقت دارد. موقعیت سوراخ اندازه گیری ، ساختار ساخت و ساز ، نصب آسان و ترکیبی.


کاربرد: با توجه به مناسب بودن براکت سیلندر فلنج FA-Front برای نصب تجهیزات با براکت یا بازوهای روباتیک در قسمت جلویی و معمولاً در همان صفحه به عنوان سوراخ های نصب ماشین های اتوماتیک. بنابراین چندین سناریوی برنامه معمولی به شرح زیر وجود دارد

دستگاه های بسته بندی: حرکات خطی با موقعیت ثابت با کنترل دقیق سکته مغزی.

تجهیزات اتوماسیون: نصب پایدار برای سیلندرها در موقعیت عمودی یا افقی.

دست زدن به مواد: در لوازم جانبی که در آن سیلندر نیاز به ایمن بودن دارد استفاده می شود.

ایستگاه های ماشینکاری: برای فشار ، فشار یا اقدام به اقدامات بستن که نیاز به حرکت جانبی صفر دارند.

دکل های آزمایشی و واحدهای کنترل: در جایی که موقعیت یابی سیلندر سفت و سخت برای تکرارپذیری ضروری است.


چیز

63

X

50

-

S

-

فاحشه

سیلندر پنوماسیت استاندارد سری SC

Bore size

 

سکته

 

S : مغناطیسی

 

FA: سرسیلندر با فلنج فلنج

 

 

 

 

 

خالی: غیر

 



FA FLANGE MOUNT SIZE:

کد / قطر مته

32

40

50

63

80

100

125

160

200

کارشناسی

28.3

32.3

38.3

38.3

47.3

47.3

60.3

65.3

75.3

جبهه

10

10

10

12

16

16

20

20

25

قبل از میلاد

47

52

65

76

95

115

140

180

220

BD

33

36

47

56

70

84

90

115

135

بودن

72

84

104

116

143

162

224

280

320

BF

58

70

86

98

119

138

180

230

270

بوالها

6.5

6.5

6.5

8.5

10.5

10.5

8

8

12

ام الو

10.5

10.5

10.5

13.5

16.6

16.6

19

25

25

وت

6.5

6.5

6.5

8.5

10.5

10.5

13

17

17

جبهه

7

7

9

9

11

11

16

18

22

T

33

37

47

56

70

84

110

140

175


سؤالات متداول:

آیا می توان براکت سیلندر فلنج جلو FA را برای استفاده با سایر سیلندرها هماهنگ کرد؟

از سوراخ های نصب سیلندرهای مختلف موقعیت های مختلفی دارند و باید از صفحات فلنج FA استفاده شود. این صفحه فلنج سری FA فقط با سیلندرهای استاندارد سری SC قابل استفاده است.


Whtats های مختلف با نصب Fa Flange Mount و فلنج عقب FB?

FA Front Flange: قسمت جلوی سیلندر را به تجهیزات وصل کنید و میله پیستون در حین نصب به سمت بیرون باشد. معمولاً در سناریوهای جلویی و فشار بار مورد استفاده قرار می گیرد.


فلنج عقب FB: انتهای عقب سیلندر را به تجهیزات وصل کنید و بدنه سیلندر را در پشت براکت پنهان کنید. مناسب برای موقعیت هایی که بدنه سیلندر نیاز به ثابت و موقعیت آن داشته باشد.


تگ های داغ: Fa Flange Mount ، چین ، تولید کننده ، تأمین کننده ، کارخانه
ارسال استعلام
اطلاعات تماس
  • نشانی

    جاده ژنگتای ، منطقه صنعتی Xinguang ، لیوشی ، یوفینگ ، ونژو ، ژجیانگ ، چین.

  • پست الکترونیک

    cici@olkptc.com

به سایت ما خوش آمدید! برای پرس و جو در مورد محصولات یا لیست قیمت، لطفا ایمیل خود را برای ما بگذارید و ما ظرف 24 ساعت با شما تماس خواهیم گرفت.
پست الکترونیک
cici@olkptc.com
تلفن
86-0577 57178620
سیار
+86-13736765213
نشانی
جاده ژنگتای ، منطقه صنعتی Xinguang ، لیوشی ، یوفینگ ، ونژو ، ژجیانگ ، چین.
X
ما از کوکی ها استفاده می کنیم تا تجربه مرور بهتری به شما ارائه دهیم، ترافیک سایت را تجزیه و تحلیل کنیم و محتوا را شخصی سازی کنیم. با استفاده از این سایت، شما با استفاده ما از کوکی ها موافقت می کنید. سیاست حفظ حریم خصوصی
رد کردن قبول کنید