به ما ایمیل بزنید
محصولات
دریچه ضامن پنوماتیک TAC
  • دریچه ضامن پنوماتیک TACدریچه ضامن پنوماتیک TAC

دریچه ضامن پنوماتیک TAC

به عنوان تولید حرفه ای ، OLK دوست دارد دریچه ضامن پنوماتیک TAC را به شما ارائه دهد. و OLK بهترین خدمات پس از فروش و تحویل به موقع را به شما ارائه می دهد.

شیر ضامن پنوماتیک TAC (همچنین به عنوان شیر سوئیچ نیز شناخته می شود) یک مؤلفه سوئیچینگ دقیق است که مخصوص سیستم های پنوماتیک و کنترل مایعات طراحی شده است. با ساختار کنترل منحصر به فرد از نوع ضامن ، به سوئیچینگ سریع و کنترل دقیق مسیرهای سیال دست می یابد.

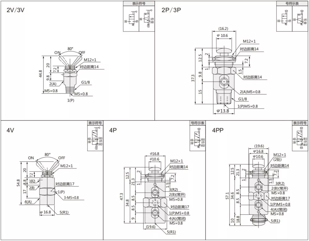
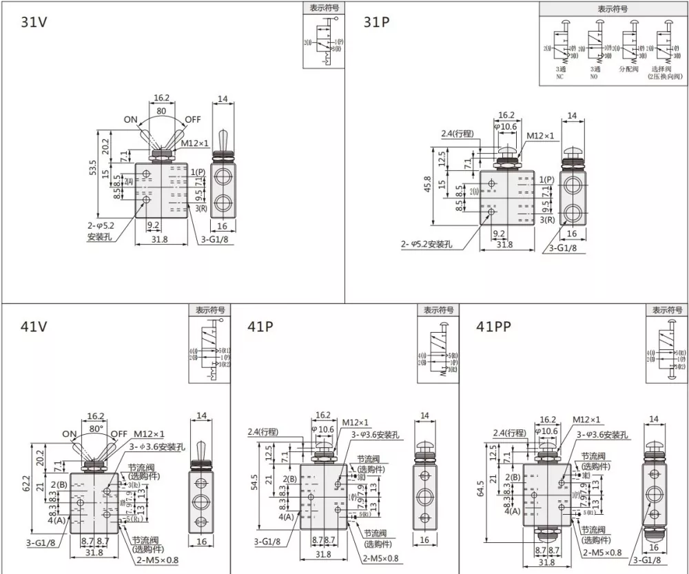
دریچه TAC Series Toggle دارای 2 موقعیت 2 راه ، 2 موقعیت 3 راه و 2 موقعیت 5 است که می توان انتخاب کرد. انواع مختلف از نوع اهرم و دو نوع موضوع: M5 ، G1/8.

سناریوهای کاربردی

تجهیزات اتوماسیون صنعتی ، فرآوری مکانیکی ، پردازش مصالح ساختمانی ، انرژی و معدن ، صنعت مواد غذایی و آشامیدنی ، تجهیزات پزشکی و غیره

ویژگی های محصول

از نظر اندازه کوچک است ، به فضای نصب کمی نیاز دارد و برای کار با دستی بصری است و باعث می شود آن را برای سناریوهایی که نیاز به تعویض مکرر دارند مناسب باشد.

نماد دریچه Tac Toggle و طرح کلی

رمز

طاغوت

2

__

2

P

 

 

 

 

 

شیر ضامع سری TAC

 

 

2: 2Position 2 Way (M5)

پ: نوع دکمه فشار کشویی

 

 

 

3: 2 موقعیت 3 راه (M5)

V: نوع اهرم دست

 

 

 

4: 2 قدرت 5 راه (M5)

PP: دکمه فشار دو برابر

 

 

 

31: 2 موقعیت 3 راه (G1/8)

 

 

 

 

41: 2 قدرت 5 راه (G1/8)

 

 

مدل

اندازه بندر

 

شماره
موقعیت

مؤثر  
سطح مقطعی

دامنه فشار

مایع کار

محیط
درجه حرارت

 

TAC-2V

ورودی = خروجی = M5   

2 موقعیت 2 راه

1.9mm²

0.05 ~ 0.9ppa

هوا

60 ~ 60

TAC-2P

ورودی = خروجی = M5   

2 موقعیت 2 راه

1.9mm²

TAC-3V

ورودی = خروجی = M5   

2 موقعیت 3 راه

1.9mm²

TAC-3p

ورودی = خروجی = M5   

2 موقعیت 3 راه

1.9mm²

TAC-4V

ورودی = خروجی = M5   

2 موقعیت 5 راه

1.9mm²

TAC-4p

ورودی = خروجی = M5   

2 موقعیت 5 راه

1.9mm²

4 عدد

G1/8

 

2 موقعیت 5 راه

4.5 میلی متر مربع

TAC2-31V

ورودی = خروجی = اگزوز = G1/8   

2 موقعیت 3 راه

4.5 میلی متر مربع

TAC2-31p

ورودی = خروجی = اگزوز = G1/8   

2 موقعیت 3 راه

4.5 میلی متر مربع

TAC2-41V

ورودی = خروجی = G1/8 اگزوز = M5

2 موقعیت 5 راه

4.5 میلی متر مربع

TAC2-41p

ورودی = خروجی = G1/8 اگزوز = M5

2 موقعیت 5 راه

4.5 میلی متر مربع

TAC2-41pp

ورودی = خروجی = G1/8 اگزوز = M5

2 موقعیت 5 راه

4.5 میلی متر مربع

سؤالات متداول:

تفاوت بین دریچه ضامن و شیر مکانیکی چیست؟

این می تواند شیر ضامن و دریچه مکانیکی را با نوع کنترل متمایز کند: دریچه ضامن نوع نگه داشتن اهرم است ، شیر مکانیکی نوع دکمه فشار فشار یا نوع غلتکی است

 

تفاوت بین دریچه ضامن و سایر دریچه ها چیست؟

کنترل دقیق: دریچه های ضامن از طریق یک هسته دریچه مخروطی ، که برای کنترل دقیق در خطوط لوله به قطر کوچک مناسب است ، به تنظیم جریان خوب دست می یابند ، در حالی که دریچه های توپ برای عملیات سریع باز و بسته شدن مناسب تر هستند.

تگ های داغ: TAC Pneumatic Toggle Valve ، چین ، تولید کننده ، تأمین کننده ، کارخانه
ارسال استعلام
اطلاعات تماس
  • نشانی

    جاده ژنگتای ، منطقه صنعتی Xinguang ، لیوشی ، یوفینگ ، ونژو ، ژجیانگ ، چین.

  • پست الکترونیک

    cici@olkptc.com

به سایت ما خوش آمدید! برای پرس و جو در مورد محصولات یا لیست قیمت، لطفا ایمیل خود را برای ما بگذارید و ما ظرف 24 ساعت با شما تماس خواهیم گرفت.
پست الکترونیک
cici@olkptc.com
تلفن
86-0577 57178620
سیار
+86-13736765213
نشانی
جاده ژنگتای ، منطقه صنعتی Xinguang ، لیوشی ، یوفینگ ، ونژو ، ژجیانگ ، چین.
X
ما از کوکی ها استفاده می کنیم تا تجربه مرور بهتری به شما ارائه دهیم، ترافیک سایت را تجزیه و تحلیل کنیم و محتوا را شخصی سازی کنیم. با استفاده از این سایت، شما با استفاده ما از کوکی ها موافقت می کنید. سیاست حفظ حریم خصوصی
رد کردن قبول کنید